
無功功率補償控制器,簡稱無功補償控制器,主要用于集中無功補償裝置,控制電容器的投切,如果按控制電容器的電壓等級來分,可以分為高壓無功補償控制器和低壓無功補償控制器,高壓無功補償控制器一般用于控制6KV或...

我們通常所說的進相器是指無環流靜止式進相器,由于與原來的旋轉式進相器相比,它有顯著的優勢,所以現在已取代原來的旋轉式進相器,主要應用在水泥行業球磨機這樣負載變化不大的設備上,球磨機屬于重負載設備,大多...

一、水電阻的基本原理 靠溶解在水中的電解質(NaHCO3)離子導電,電解質充滿于兩個平面極板之間,構成一個電容狀的導電體,自身無感性元件,故與頻敏、電抗器等起動設備相比,有提高電動機的功率因數...

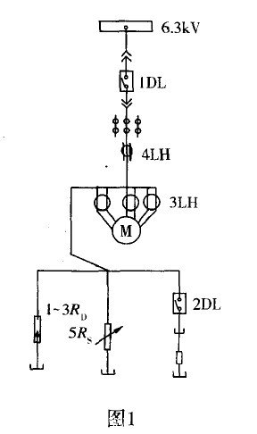
水阻柜的工作原理是通過在電機轉子回路串入液體電阻,自動無級調整電阻阻值始終滿足電機機械特性對串入電阻值的要求,從而使電動機在獲得最大起動轉矩及最小起動電流的情況下無沖擊的均勻升速,起動時間可調整,大約...

對于大功率電機,尤其是高壓電機經常用到水阻柜來起動,水阻柜以他特有的優點占據了高壓電機軟啟動行業70%以上份額,作為水阻柜生產廠家,我們對水阻柜再熟悉不過了,下面我們就來看看水阻柜有哪些特點值得大...

在傳統設計中,鼠籠式電機啟動往往采用直接啟動、串電抗器啟動或用自耦變壓器啟動,而進口軟啟動裝置和變阻軟啟動裝置因投資昂貴而較少使用。但是采用直接啟動、串電抗器啟動和用自耦變壓器啟動時,會導致大啟動電流...

水電阻的導電原理 水電阻是電解液形成的電阻,它導電的本質是離子導電。其阻值正比于二塊電極板的距離,反比于電解液的電導率,極板距離和電導率都便于控制。 一.水電阻的配置方法 1、配液用水:蒸餾水。 2、電...

在風機、水泵負載上由于節能需要,經常用到變頻器調速,隨著負載的負荷增大,也經常用到高壓電機,這就需要用高壓變頻器,高壓變頻器旁路柜應該怎么做呢?下面就提供兩種高壓變頻旁路經常用到的方案圖。 一...