
目前市場上的高低壓開關柜的柜體都使用什么材料,高低壓開關柜生產廠家襄陽正涵電氣來為大家普及一下: 1、冷軋鋼板 冷軋是以熱軋板卷為原料,在正常溫度下進行各種材料軋制,冷軋鋼板...

在電網系統中常見的無功補償方式包括: 1.集中補償:在高低壓配電線路中安裝并聯電容器組; 2.單臺電動機就地補償:在單臺電動機處安裝并聯電容器等; 3.分組補償:在配電變壓器低壓側和用戶車間配電屏安裝并聯補...

一、ZHP靜止式進相器和ZVP變負載進相器的不同之處 進相器分類就兩種,一種是靜止式進相器,另一種是變負載進相器,ZHP靜止式進相器與ZVP變負載進相器都是無功補償柜的一種,都用于高低壓繞線式電機,...

在傳統設計中,鼠籠式電機啟動往往采用直接啟動、串電抗器啟動或用自耦變壓器啟動,而進口軟啟動裝置和變阻軟啟動裝置因投資昂貴而較少使用。但是采用直接啟動、串電抗器啟動和用自耦變壓器啟動時,會導致大啟動電流...

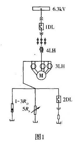
摘要:水電阻即液體電阻具有過載能力強、可以無級調節等優點,被廣泛應用于電動機的起動和調速。而由于它制作簡單、不容易受到功率的限制,在大型電機(功率在200KW~20000KW)的起動控制方面更顯出它的優勢。 在電路...

我國60到80年代的國產及進口的老式龍門刨床、單臂刨床數量相當巨大,以濟南二機、武重以及進口捷克HD系列為主,在各機械加工行業中占有很大比例且有著重要的地位,廣泛應用于加工大型工件的各種平面、斜面和槽,特別...

1、引言 高壓大功率交流電動機軟啟動裝置是湖北正涵電氣有限公司應用先進的電力電子技術、電力拖動技術及數字微處理器技術成果,并采用具有專利技術的高壓可控硅串聯技術、模塊化的光纖傳送技術以及...

龍門刨床常用來加工大型工件的各種平面、斜面和槽,特別適宜于加工大型的、狹長的機械零件如機床的床身、導軌等,但對于中小型件、非連續面、端面如箱體等等,其加工效率就顯得較低。目前我國六十到八十年代生產的各...