
啟動器是幫助系統或設備啟動的輔助工具,像手機啟動器、軟啟動器等 啟動器的分類 啟動器的分類主要有手機桌面啟動器和電機軟啟動器。手機桌面啟動器主要有Holo啟動器和ss啟動器;軟啟動器分高壓軟啟...

水阻柜適用于建材、冶金、化工、礦山等工業部門的球磨機、空壓機、破碎機、大型風機、大型水泵的電軟起動,是頻敏起動器和金屬電阻起動器的理想替代產品。其結構簡單,可靠性強,而且經濟實用,維護性強。水阻柜的作...

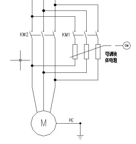
由于電動機直接起動時,起動電流會達到電機額定電流的7~8倍,一般上一級變壓器的容量都承受不了,特別是大功率的電機,必須加裝起動設備,否則會造成變壓器局部下跳閘。水電阻是指利用電解液的阻值特性,通過調節極...

水泵變頻器即水泵變頻控制器,在一般情況下,水泵采用恒速交流電動機拖動,而用水量卻是變化的,為了保證水池的正常供水,工人要在現場經常調節擋板或閥門開度大小來控制水泵的抽水量,或者將水池中用不完的水白白流...

本文介紹了早期的由發電機組拖動的龍門刨床或單臂刨床現存的問題,并簡述了針對該種類型的刨床改造方式:采用全數字直流調速裝置組合先進的PLC控制方式,著重強調了改造后的節能降耗所帶來的經濟效益以及改造后的其...

國產可控硅(晶閘管)的型號命名(JB1144-75部頒發標準)主要由四部分組成, 各部分的含義見下表。 第一部分用字母“K”表示主稱為晶閘管。 第二部分用字母表示晶閘管的類別...

電動機無功功率就地補償技術是國家推廣的一項節電項目。大力推廣這一新技術,對節能具有十分重要的意義。在煤礦井下,由于低壓供電負荷距離變壓器較遠,采用電動機無功功率就地補償技術除了節約電能外,還可降低線路壓降...

龍門刨床常用來加工大型工件的各種平面、斜面和槽,特別適宜于加工大型的、狹長的機械零件如機床的床身、導軌等,但對于中小型件、非連續面、端面如箱體等等,其加工效率就顯得較低。目前我國六十到八十年代生產的各...